About Us
Structural Design
Steel Detailing
Connection Design
Projects
Contact
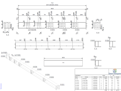
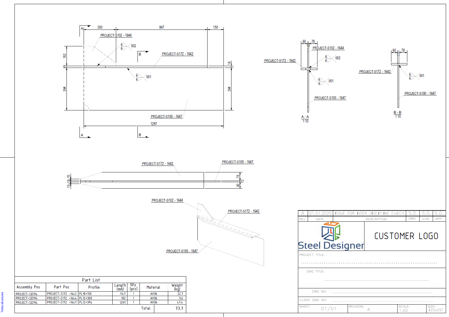
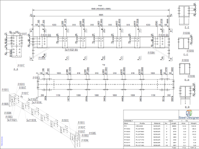
PROJECTS
SOME OF OUR PROJECTS
HOMEPAGE
Projects
All
Structural Design
Steel Shop Drawing
Connection Design